不銹鋼F46特氟隆膜片食品級氣動高粘度輸送隔膜泵結(jié)構(gòu)圖分析
時間:2013/4/6 來源:浙江揚子江泵業(yè)有限公司

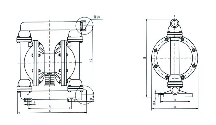
1 進(jìn)氣口 2 配氣閥體 3 配氣閥 4 圓球 5 球座 6 隔膜 7 連桿 8 連桿銅套 9 中間支架 10 泵進(jìn)口 11 排氣口
|
型號 |
流量 (m3/h) |
揚程 (m) |
出口壓力 (kgf/cm2) |
吸程 (m) |
大允
許能
過顆粒 直徑 (mm) |
大供氣
壓力 (kbf/cm2) |
大供氣
消耗量 (m3/min) |
材料 | |||
|
鋁合金 |
不銹鋼 |
鑄造鐵 |
增強聚丙烯 | ||||||||
|
QBY-10 |
0~0.8 |
0~60 |
6 |
5 |
1 |
7 |
0.3 |
○ |
○ |
○ |
○ |
|
QBY-15 |
0~1 |
0~60 |
6 |
5 |
1 |
7 |
0.3 |
○ |
○ |
○ |
○ |
|
QBY-25 |
0~2.4 |
0~60 |
6 |
7 |
2.5 |
7 |
0.6 |
○ |
○ |
○ |
○ |
|
QBY-40 |
0~8 |
0~60 |
6 |
7 |
4.5 |
7 |
0.6 |
○ |
○ |
○ |
○ |
|
QBY-50 |
0~12 |
0~60 |
6 |
7 |
8 |
7 |
0.9 |
○ |
○ |
○ |
- |
|
QBY-65 |
0~16 |
0~60 |
6 |
7 |
8 |
7 |
0.9 |
○ |
○ |
○ |
- |
|
QBY-80 |
0~24 |
0~60 |
6 |
7 |
10 |
7 |
1.5 |
○ |
○ |
○ |
- |
|
QBY-100 |
0~30 |
0~60 |
6 |
7 |
10 |
7 |
1.5 |
○ |
○ |
○ |
- |

|
型號 |
A |
B |
C |
D |
E |
H1 |
H2 |
H3 |
G |
絲扣 |
備注 |
|
QBY-10 |
120 |
58 |
210 |
140 |
10 |
40 |
255 |
12 |
270 |
3/8” |
工程塑料、氟塑料 |
|
QBY-15 |
120 |
58 |
210 |
140 |
10 |
40 |
255 |
12 |
270 |
1/2” | |
|
QBY-10 |
120 |
0 |
210 |
140 |
12 |
30 |
220 |
10 |
240 |
3/8” |
鑄鐵、不銹鋼、鋁合金 |
|
QBY-15 |
120 |
0 |
210 |
140 |
12 |
30 |
220 |
10 |
240 |
1/2” |

|
型號 |
A |
B |
C |
D |
E |
H1 |
H |
絲扣 |
備注 |
|
QBY-10 |
160 |
0 |
200 |
160 |
10 |
40 |
260 |
3/8” |
鑄鐵、不銹鋼、鋁合金
|
|
QBY-15 |
160 |
0 |
200 |
160 |
10 |
40 |
260 |
1/2” | |
|
QBY-20 |
180 |
155 |
300 |
200 |
10 |
40 |
400 |
3/4” | |
|
QBY-25 |
210 |
160 |
320 |
230 |
12 |
50 |
470 |
1” | |
|
QBY-40 |
210 |
160 |
320 |
230 |
12 |
50 |
470 |
11/2” |

|
型號 |
A |
B |
D5 |
D6 |
C |
H |
H1 |
DN1 |
DN2 |
n-d1 |
n-d2 |
D3 |
D4 |
E |
n-d4 |
進(jìn)氣口 外徑 |
備注 |
|
QBY-25 |
215 |
150 |
100 |
100 |
380 |
530 |
70 |
25 |
25 |
4-Φ11 |
4-Φ11 |
75 |
75 |
55 |
4-Φ10 |
10 |
工氟 程塑 塑料料, |
|
QBY-40 |
215 |
150 |
130 |
120 |
380 |
530 |
70 |
40 |
32 |
4-Φ13.5 |
4-Φ13.5 |
100 |
90 |
55 |
4-Φ10 |
10 | |
|
QBY-25A |
220 |
160 |
110 |
110 |
370 |
575 |
68 |
25 |
25 |
4-Φ11 |
4-Φ11 |
75 |
75 |
80 |
4-Φ12 |
10 |
鑄 鐵 、 不 銹 鋼 、 鋁 合 金 |
|
QBY-40A |
220 |
160 |
130 |
120 |
370 |
575 |
68 |
40 |
32 |
4-Φ13.5 |
4-Φ13.5 |
100 |
90 |
80 |
4-Φ12 |
10 | |
|
QBY-50 |
340 |
240 |
140 |
140 |
550 |
800 |
65 |
50 |
50 |
4-Φ13.5 |
4-Φ13.5 |
110 |
110 |
145 |
4-Φ17.5 |
12 | |
|
QBY-65 |
340 |
240 |
160 |
160 |
550 |
800 |
70 |
65 |
65 |
4-Φ13.5 |
4-Φ13.5 |
130 |
130 |
145 |
4-Φ17.5 |
12 | |
|
QBY-80 |
340 |
240 |
190 |
190 |
580 |
950 |
100 |
80 |
80 |
4-Φ17.5 |
4-Φ17.5 |
150 |
150 |
130 |
4-Φ17.5 |
14 | |
|
QBY-100 |
340 |
240 |
210 |
190 |
580 |
950 |
100 |
100 |
80 |
4-Φ17.5 |
4-Φ17.5 |
170 |
170 |
130 |
4-Φ17.5 |
14 |











